公海彩船6600
公海彩船6600
产品中心
液位仪表
流量仪表
压力仪表
水质仪表
显控仪表
电量仪表
温度仪表
阀门系列
应用行业
关于我们
新闻案例
服务支持
服务中心
视频中心
下载中心
常见问题
联系我们
明星产品
公海彩船6600
产品中心
液位仪表
流量仪表
压力仪表
水质仪表
显控仪表
电量仪表
温度仪表
阀门系列
应用行业
石油行业
化工行业
水处理行业
制药行业
科研院校
公共事业
食品加工
制造行业
冶金冶炼
纺织造纸
关于我们
公海彩船6600简介
发展历程
企业荣誉
合作客户
新闻案例
公海彩船6600
行业资讯
服务支持
服务中心
视频中心
下载中心
常见问题
联系我们
联系方式
服务网点
明星产品
仪表可上云
MIK-MP-C 0.3级高精度款
高端款 LDG-MIK电磁流量计
经济款 卡箍式电磁流量计LDG-MIK
MIK-DY2900
MIK-DC2000
MIK-AL-10红外测温仪
公海彩船6600_FMC800无线 远传电磁流量
MIK-MP-A 0.5级精度
MIK-ULS-B 0.3%精度
400-152-1718
English
Chinese
您的位置:
网站公海彩船6600
>
产品中心
>
水质仪表
>
浊度仪
MIK-PTU200 全新款 在线浊度计 污水处理 自来水厂
MIK-PTU200 全新款 在线浊度计
索取报价
产品简介
产品简介
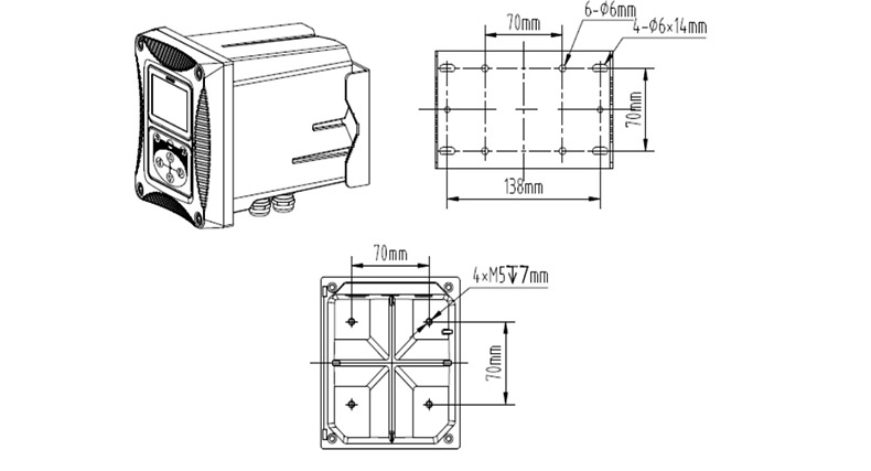
MIK-PTU200
传感器基于组合红外吸收散射光线法,应用
ISO7027
方法可以连续测定浊度。按照
ISO7027
红外双散射光线技术不受色度影响测定浊度值。根据使用环境可以选配带自清洗功能。数据稳定,性能可靠;内设自诊功能,保证数据准确;安装和校正简单。
MIK-PTU200
控制器用于显示传感器所测得的数据,可以连接数字信号传感器或模拟信号传感器。用户可以通过控制器的界面配置和校准实现
4-20mA
模拟输出。可以实现继电器控制及数字通讯等功能。
和组成的测定仪可以普遍应用于污水厂、自来水厂、水站、地表水、工业等领域浊度监测。
欢迎您的订购咨询 · 我们竭诚为您服务
杭州公海彩船6600自动化技术有限公司是一家主要从事过程自动化仪表研发、制造、销售及服务的高新技术企
业。公司汇集了一大批国内优秀的自动化、电子、机械和计算机等领域的技术专家。
相关产品
MIK-PTU100
MIK-PTU100在线浊度分析仪内置微处理器,适用于于污水厂、自来水厂、水站、地表水、工业等领域浊度监测,例如:污水厂沉淀池、曝气池、氧化沟、提升泵站的浊度测量。本浊度/污泥浓度控制器是一款智能在线化学分析仪器,广泛应用于火电、化工化肥、冶金、环保、制药、生化、食品和自来水等各个行业。
查看更多》
MIK-PTU300公海彩船6600低量程在线浊度仪
MIK-PTU300浊度在线分析仪是针对饮用水水质在线监测,量身研发的具有自主 知识产权的专利产品,具有超低浊度检出限、高精度测量、设备长时间 免维护、省水工作和数字化输出的特点,支持云平台和手机移动端数据 远程监控,以及 RS485-modbus 通讯,可广泛应用于自来水出厂水、二次 供水、管网末梢水、直饮水、膜过滤水、游泳池、地表水等浊度在线监测。
查看更多》
公海彩船6600专注于过程自动化解决方案
如果你想了解更多,请联系我们
400-152-1718
明星产品:
仪表可上云
MIK-MP-C 0.3级高精度款
高端款 LDG-MIK电磁流量计
经济款 卡箍式电磁流量计LDG-MIK
MIK-DY2900
MIK-DC2000
MIK-AL-10红外测温仪
公海彩船6600_FMC800无线 远传电磁流量
MIK-MP-A 0.5级精度
MIK-ULS-B 0.3%精度
MIK-ZPM 小量程0-1m
MIK-JFC 超声波泥位计
MIK-2100液位数显控制光柱表
MIK-DFG分体式超声波液位计
快速导航
产品中心
应用行业
关于我们
新闻案例
服务支持
产品中心
液位仪表
流量仪表
压力仪表
水质仪表
显控仪表
电量仪表
温度仪表
阀门系列
服务支持
服务中心
视频中心
下载中心
常见问题
联系我们
地址:
杭州经济技术开发区科技园路2号4幢
邮编:
310018
总机:
0571-86472681
24小时服务热线:
400-152-1718
官方微信,加关注
Copyright © 2024 版权所有
电磁流量计-杭州公海彩船6600自动化技术有限公司官网
法律声明
TEL: 400-152-1718